Bản vẽ kỹ thuật là gì? Cách đọc hiểu các loại bản vẽ kỹ thuật
07-02-2026 355
Bản vẽ kỹ thuật là những hình minh họa được sử dụng để truyền đạt nhiều thông tin chi tiết về thiết kế, kích thước và chức năng của một sản phẩm hoặc hệ thống. Các nhà thiết kế sử dụng chúng để trao đổi với các kỹ sư, nhà sản xuất và kỹ thuật viên. Cho dù chúng ta muốn làm gì, bản vẽ kỹ thuật đều chứa tất cả các hướng dẫn để biến ý tưởng thành hiện thực.
Mục lục
Bản vẽ kỹ thuật có cấu trúc chặt chẽ hơn bản vẽ nghệ thuật, vốn mang tính chủ quan và mở ra nhiều cách hiểu khác nhau. Điều này là do chúng sử dụng một số quy ước đã được thiết lập để đảm bảo sự rõ ràng và tính đồng nhất. Mục tiêu quan trọng nhất là cung cấp một hình ảnh trực quan chính xác mà tất cả những người tham gia vào quá trình này đều có thể hiểu được, bất kể ngôn ngữ hay địa điểm.
Bản vẽ kỹ thuật là gì?
Bản vẽ kỹ thuật là bản mô tả chi tiết bằng hình ảnh về một vật thể hoặc hệ thống vật lý. Nó được sử dụng để truyền đạt thông tin trực quan, cung cấp thông tin về kích thước, hình dạng, vật liệu, lắp ráp và chức năng của vật thể một cách đơn giản và tiêu chuẩn hóa. Bản vẽ kỹ thuật được thiết kế để mọi người tham gia vào dự án đều có thể hiểu được, bất kể vị trí địa lý hay ngôn ngữ sử dụng. Các chuyên gia sử dụng bản vẽ kỹ thuật bao gồm kỹ sư, kiến trúc sư, nhà thiết kế và nhà sản xuất.
Họ sử dụng các quy ước và ký hiệu nhất định, nhờ đó đảm bảo rằng mọi người đều có thể hiểu thiết kế theo cùng một cách. Các quy ước này bao gồm các loại đường, hình chiếu, kích thước và chú thích khác nhau, đều giống nhau trên toàn thế giới theo các tổ chức khác nhau như:
- ISO ( Tổ chức Tiêu chuẩn hóa Quốc tế )
- ANSI ( Viện Tiêu chuẩn Quốc gia Hoa Kỳ )

Tại sao việc hiểu chúng lại quan trọng?
Có rất nhiều ngành nghề thiết yếu một cách đáng ngạc nhiên. Từ kỹ sư đến các nhà thiết kế, nhà sản xuất, người vẽ kỹ thuật và kiến trúc sư, nhiều người quan tâm đến các ngành công nghiệp quan trọng này đều hiểu cách thức hoạt động của bản vẽ kỹ thuật. Kiến thức của họ không cần phải quá chuyên sâu để đọc hiểu chúng, điều này khiến việc hiểu bản vẽ kỹ thuật trở nên quan trọng vì nhiều lý do.
- Thứ nhất, bản vẽ kỹ thuật đóng vai trò như một ngôn ngữ chung của thiết kế và kỹ thuật, thúc đẩy sự hình thành cộng đồng chuyên gia toàn cầu. Việc sử dụng các quy tắc được chấp nhận rộng rãi để tạo ra bản vẽ kỹ thuật giúp giảm thiểu sự hiểu lầm, đảm bảo sự hiểu biết chung về thiết kế giữa các nền văn hóa và ngôn ngữ khác nhau.
- Thứ hai, chúng cung cấp bản thiết kế chi tiết, từ cấu trúc của một tòa nhà đồ sộ đến hình dáng của một chi tiết nhỏ chính xác trong một chiếc xe hơi. Vì vậy, việc kiểm tra chất lượng sản xuất hoặc lắp ráp trở nên rất dễ dàng.
Những người tham gia vào công việc gia công cơ khí hoặc gia công CNC phải có khả năng đọc và hiểu bản vẽ kỹ thuật. Điều này cho phép người vận hành máy và các công nhân khác thực hiện nhiệm vụ của họ một cách chính xác và đảm bảo các bộ phận được sản xuất theo các thông số kỹ thuật khác nhau.
Lịch sử của bản vẽ kỹ thuật
Lịch sử của bản vẽ kỹ thuật bắt nguồn từ các nền văn minh cổ đại. Ví dụ, người Ai Cập và La Mã đã sử dụng các bản phác thảo đơn giản để truyền đạt ý tưởng về các công trình kiến trúc, máy móc và công cụ. Các kiến trúc sư và người vẽ kỹ thuật thời kỳ đầu đã dựa vào các bản vẽ sơ khai để truyền tải các chi tiết xây dựng của nhiều dự án khác nhau, chẳng hạn như hệ thống dẫn nước cung cấp nước cho Rome, các kim tự tháp khổng lồ mà chúng ta vẫn chiêm ngưỡng ngày nay, và cả vũ khí.

Mặt cắt và sơ đồ mặt bằng phần dưới của cống dẫn nước Croton, John B. Jervis
Dù có lịch sử lâu đời, bản vẽ kỹ thuật chỉ thực sự được hệ thống hóa từ thời Phục hưng với những phác thảo giải phẫu và máy móc chuẩn xác của Leonardo da Vinci. Đến cuộc Cách mạng Công nghiệp thế kỷ 19, các tiêu chuẩn về ký hiệu và tỷ lệ mới được xác lập để phục vụ sản xuất hàng loạt và kết nối giao thương toàn cầu. Tầm ảnh hưởng của Da Vinci đối với kỹ thuật hiện đại cũng được khắc họa rõ nét trong phim tài liệu “Giải mã Da Vinci”.
Mục tiêu chính của bản vẽ kỹ thuật
Mục đích thiết yếu của bản vẽ kỹ thuật là truyền đạt thông tin chi tiết về cấu trúc, kích thước hoặc lắp ráp để có thể thực hiện một cách chính xác và rõ ràng. Sự phổ biến của bản vẽ kỹ thuật ngày nay có thể được lý giải bởi vai trò của chúng trong kỹ thuật . Một số ví dụ về mục đích của chúng bao gồm:
- Việc mô tả chính xác kích thước và hình dạng cho phép đạt được độ chính xác cao trong việc xây nhà, chế tạo máy móc hoặc sản xuất các bộ phận. Mô tả chính xác là điều cần thiết trong nhiều lĩnh vực, chẳng hạn như kiến trúc, điện tử, gia công CNC và gia công kim loại , nơi mà những sai sót nhỏ nhất cũng ảnh hưởng đến chức năng.
- Tạo ra những thiết kế vừa chức năng vừa thẩm mỹ – điều quan trọng nhất trong kiến trúc là các công trình và không gian phải vừa có tính chức năng vừa có tính thẩm mỹ, đáp ứng mọi nhu cầu của khách hàng.
- Giúp kiểm soát chất lượng – các thanh tra viên có thể xác minh rằng công trình đáp ứng tất cả các yêu cầu và dung sai bằng cách sử dụng bản vẽ kỹ thuật làm tài liệu tham khảo. Điều này được sử dụng trong sản xuất chính xác , vì việc đáp ứng các dung sai này rất quan trọng để đảm bảo chất lượng cao.
- Đáp ứng các tiêu chuẩn và quy định – nhiều chuyên gia kỹ thuật, chẳng hạn như kiến trúc sư, kỹ sư và nhà thiết kế, phải đáp ứng các tiêu chuẩn, dung sai, quy định xây dựng và tiêu chuẩn an toàn cụ thể.
- Tiêu chuẩn hóa – việc sử dụng các định dạng và ký hiệu được chấp nhận rộng rãi cho phép những người từ các lĩnh vực và ngành nghề khác nhau làm việc cùng nhau một cách hiệu quả.
.jpg)
Bản vẽ kiến trúc kết hợp mặt đứng, mặt cắt và mặt bằng
Các loại bản vẽ kỹ thuật
Hiện nay, có nhiều loại bản vẽ kỹ thuật, mỗi loại có ứng dụng riêng. Các loại này bao gồm bản vẽ lắp ráp, bản vẽ chi tiết và bản vẽ tóm tắt, mỗi loại phục vụ một mục đích cụ thể và được sử dụng trong nhiều ngành công nghiệp khác nhau.
- Bản vẽ lắp ráp
Bản vẽ lắp ráp thể hiện vị trí, hình dạng và sự phối hợp tương đối của tất cả các cụm chi tiết cấu thành nên sản phẩm. Mỗi cụm chi tiết và bộ phận đều có số hiệu cụ thể được mô tả trên một bảng thông tin riêng. Bản vẽ cần bao gồm tất cả các bộ phận của sản phẩm. Đó là lý do tại sao chúng ta sử dụng hình chiếu trục đo và hình chiếu mặt cắt trong bản vẽ kỹ thuật. Chúng được sử dụng trong các ngành công nghiệp như ô tô , hàng không vũ trụ và điện tử .
- Bản vẽ chi tiết:
Chứa các thông tin cần thiết để tạo ra sản phẩm. Những thông tin này bao gồm loại vật liệu, cách thức tạo chi tiết, các mặt cắt cần thiết và tất cả các hình chiếu của vật thể. Mỗi bản vẽ chi tiết đều có một bảng chứa các dữ liệu bổ sung, chẳng hạn như số bản vẽ và kích thước bước ren. Mỗi chi tiết trên bản vẽ chi tiết phải có cùng số hiệu với số bản vẽ.
- Bản vẽ tóm tắt
Đây là bản vẽ lắp ráp sản phẩm với các thông tin và kích thước bổ sung cần thiết cho từng chi tiết cụ thể.
- Bản vẽ kiến trúc và xây dựng
Đây là bản vẽ kỹ thuật thể hiện một công trình hoặc một phần của công trình. Nó là cơ sở cho việc thi công xây dựng. Bản vẽ này được tạo ra bởi người vẽ kỹ thuật dưới sự giám sát của kiến trúc sư, kỹ thuật viên kiến trúc hoặc kỹ sư xây dựng. Nó là một phần của mọi dự án xây dựng. Thông thường, nó thể hiện hình chiếu, mặt cắt hoặc hình chiếu đứng của một công trình. Chúng ta phải xử lý các tỷ lệ, chi tiết và phương pháp vẽ khác nhau tùy thuộc vào giai đoạn sản xuất. Một quy tắc được chấp nhận rộng rãi là tỷ lệ cơ bản để thể hiện mặt cắt, mặt bằng và hình chiếu đứng là 1:50 hoặc 1:100. Trong thiết kế chi tiết, tỷ lệ lớn hơn thể hiện các chi tiết xây dựng.
- Hướng dẫn lắp đặt:
Bản vẽ này thể hiện các hoạt động và thông tin cần thiết để lắp đặt thiết bị. Thông thường, chúng không bao gồm kích thước của vật thể, nhưng đôi khi, chúng ta có thể bắt gặp các bản vẽ có kích thước tổng thể.
.jpg)
Ví dụ về bản vẽ kỹ thuật
- Sơ đồ mạch điện
Loại bản vẽ kỹ thuật mà điều quan trọng nhất là thể hiện nguyên lý hoạt động của thiết bị, hệ thống hoặc công trình. Loại bản vẽ này không thể hiện mối quan hệ trong không gian, cũng không cung cấp thông tin về kích thước của các đối tượng. Thay vào đó, nó thể hiện các mối quan hệ logic và chức năng của đối tượng. Chúng được thể hiện một cách đơn giản, mang tính biểu tượng.
- Hình ảnh
Tái hiện một cách trực quan những đặc điểm thiết yếu nhất của đối tượng.
- Bản vẽ lắp đặt:
Bản vẽ kỹ thuật thể hiện cách bố trí từng thành phần lắp đặt và cách chúng được kết nối với nhau.
Mỗi loại bản vẽ kỹ thuật đều có công dụng riêng. Một số được sử dụng trong kiến trúc và xây dựng các công trình kiến trúc đồ sộ, số khác lại được dùng trong sản xuất các chi tiết nhỏ, thường là các bộ phận của một tổng thể lớn hơn. Bản vẽ kỹ thuật giúp thể hiện các quy trình thoạt nhìn có vẻ phức tạp một cách đơn giản.
Các yếu tố của bản vẽ kỹ thuật
Mỗi bản vẽ kỹ thuật phải bao gồm một số yếu tố chính. Điều này đảm bảo thông tin rõ ràng, chính xác và dễ hiểu. Trải qua nhiều thế kỷ, các yếu tố này đã trải qua nhiều nỗ lực tiêu chuẩn hóa để duy trì tính nhất quán và rõ ràng.
1. Đường và các loại đường
Mỗi bản vẽ kỹ thuật đều bao gồm nhiều loại đường nét khác nhau được sử dụng để truyền tải thông tin quan trọng. Sau đây là một số loại đường nét và công dụng của chúng:
- Các đường kẻ dày liền mạch – thể hiện rõ các cạnh của vật thể.
- Các đường mảnh liên tục – được sử dụng làm đường kích thước, đường chiếu và đường tham chiếu.
- Đường nét đứt – các cạnh hoặc các yếu tố không hiển thị trong một phối cảnh nhất định.
- Các đường thẳng nối tiếp – biểu thị đường tâm hoặc trục đối xứng.
Mỗi loại đường kẻ đều rất quan trọng để truyền tải thông tin chính xác. Điều quan trọng nhất là phải sử dụng chúng theo đúng tiêu chuẩn đã được thiết lập.
.jpg)
Ứng dụng của đường kẻ mỏng liên tục
2. Ký hiệu và tên gọi
Bản vẽ kỹ thuật dựa vào nhiều ký hiệu và tên gọi để đơn giản hóa thông tin. Các ký hiệu trong bản vẽ kỹ thuật thể hiện mọi thứ, từ các đặc điểm hình học đến độ hoàn thiện bề mặt hoặc dung sai. Một số ký hiệu thường được sử dụng là:
- Ký hiệu hàn – loại và vị trí các mối hàn cần thiết để nối các bộ phận.
- Ký hiệu dung sai hình học – xác định độ lệch cho phép so với hình học lý tưởng.
- Ký hiệu vật liệu – các vật liệu khác nhau, chẳng hạn như thép, nhựa hoặc gỗ.
- Các ký hiệu về độ hoàn thiện bề mặt – cho biết kết cấu hoặc độ hoàn thiện bề mặt cần thiết sau khi gia công hoặc chế tạo.
Để hiểu đầy đủ các yêu cầu kỹ thuật của một bộ phận hoặc hệ thống, cần phải giải thích các ký hiệu một cách chính xác. Ví dụ, trong gia công phay CNC, các ký hiệu về độ nhám bề mặt giúp hiểu được bề mặt của một chi tiết cần phải nhẵn hay thô ráp như thế nào.
.jpg)
Dấu dung sai hình dạng và vị trí
3. Kích thước và dung sai
Kích thước là yếu tố vô cùng quan trọng đối với bất kỳ bản vẽ kỹ thuật nào. Điều này là do chúng xác định kích thước, hình dạng và vị trí của các bộ phận trên một chi tiết cụ thể. Chúng thường bao gồm kích thước tuyến tính, đường kính, bán kính và góc. Hầu hết các bản vẽ kỹ thuật thể hiện kích thước bằng milimét hoặc inch, tùy thuộc vào ngành và quốc gia.
Mặt khác, dung sai xác định độ lệch cho phép của kích thước chi tiết. Chúng được sử dụng vì quy trình sản xuất không bao giờ hoàn hảo. Dung sai tính đến những sai lệch nhỏ này. Các chi tiết phải khớp với nhau chính xác, chẳng hạn như các bộ phận động cơ, thường có dung sai chặt chẽ hơn, do đó chi tiết được sản xuất phải chính xác hơn.
Việc sản xuất một chi tiết không vượt quá dung sai là điều tối quan trọng để đảm bảo mọi thứ hoạt động như mong muốn. Một sai lệch nhỏ so với kích thước yêu cầu có thể khiến các bộ phận bị hỏng hoặc không lắp ráp đúng cách.
4. Tỷ lệ và kích thước
Bản vẽ kỹ thuật thường mô tả vật thể lớn hơn hoặc nhỏ hơn kích thước thực tế của vật thể. Để thể hiện chính xác các vật thể này, bản vẽ được tạo ra bằng cách sử dụng tỷ lệ. Tỷ lệ này cho biết tỷ số giữa kích thước của bản vẽ và kích thước thực tế của vật thể.
Ví dụ, vẽ theo tỷ lệ 1:100 có nghĩa là 1 đơn vị trên bản vẽ tương đương với 100 đơn vị trong thực tế. Chẳng hạn, nếu chiều dài của một bức tường trong bản vẽ là 5 cm, thì trong thực tế nó dài 500 cm hoặc 5 mét. Ngược lại, tỷ lệ 2:1 cho thấy bản vẽ của một vật thể lớn gấp đôi. Sử dụng tỷ lệ cho phép thể hiện các cấu trúc lớn, như các tòa nhà, và các chi tiết nhỏ, như một con ốc vít, trên một khổ giấy hợp lý.
Đọc và hiểu bản vẽ kỹ thuật
Chúng ta có thể đọc hiểu bản vẽ kỹ thuật khi đã nắm vững các yếu tố cơ bản của chúng, bao gồm kích thước, hình chiếu, đường nét và ký hiệu. Ban đầu, chúng có vẻ khó hiểu, nhưng theo thời gian, chắc chắn ai cũng sẽ hiểu được.
- Làm thế nào để đọc bản vẽ kỹ thuật?
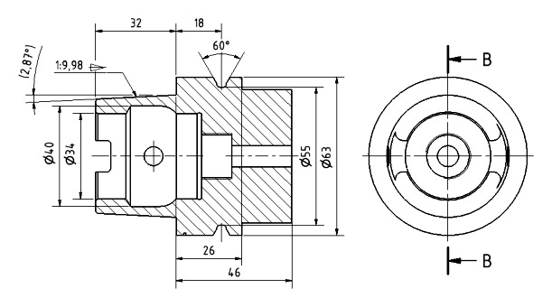
Bước đầu tiên khi đọc bản vẽ kỹ thuật là xác định các hình chiếu khác nhau của một vật thể . Có ba hình chiếu chính:
- Hình nhìn từ trên xuống
- Hình chiếu cạnh
- Hình nhìn từ phía trước
Những hình chiếu này thể hiện rõ kích thước và hình dạng của vật thể. Sau khi biết được chúng, bước tiếp theo là kiểm tra kích thước . Chúng ta làm điều này vì chúng cung cấp thông tin quan trọng về kích thước và vị trí của các bộ phận trên chi tiết. Bạn cũng nên kiểm tra cẩn thận dung sai liên quan đến từng kích thước để hiểu rõ các sai lệch cho phép.
Hiểu rõ về dung sai và kích thước sẽ giúp đảm bảo các bộ phận được sản xuất trong giới hạn cho phép. Ví dụ, một trục phải khớp vào lỗ ở một mức độ nhất định – nó phải đủ chặt. Hiểu sai về dung sai có thể khiến bộ phận không hoạt động như mong muốn hoặc bị hỏng.
.jpg)
Hiểu rõ về dung sai và kích thước sẽ giúp đảm bảo các bộ phận được sản xuất trong giới hạn cho phép. Ví dụ, một trục phải khớp vào lỗ ở một mức độ nhất định – nó phải đủ chặt. Hiểu sai về dung sai có thể khiến bộ phận không hoạt động như mong muốn hoặc bị hỏng.
.jpg)
Ví dụ về phép chiếu hình chữ nhật
- Hiểu về các ký hiệu và dấu hiệu
Khi đã nhận biết được hình chiếu và kích thước của bản vẽ kỹ thuật, điều quan trọng là phải tìm ra các ký hiệu và chú thích. Chúng rất quan trọng để hiểu được các yêu cầu khác nhau có thể được giả định trong một dự án. Ví dụ, các ký hiệu hàn sẽ cho chúng ta biết vị trí và loại mối hàn cần sử dụng, và các ký hiệu về kích thước và dung sai sẽ cung cấp thông tin về độ lệch cho phép so với kích thước đã cho.
Hiểu ý nghĩa của các ký hiệu này rất quan trọng vì chúng cung cấp thông tin quan trọng về quá trình xây dựng, lắp ráp và kiểm tra .
Công cụ để tạo bản vẽ kỹ thuật
Trước khi có phần mềm thiết kế bản vẽ kỹ thuật trên máy tính, được gọi là CAD ( Thiết kế hỗ trợ máy tính ) , các bản vẽ kỹ thuật được tạo ra bằng các công cụ vẽ tay. Chúng bao gồm bút chì, thước kẻ, thước đo góc và bảng vẽ . Các chương trình máy tính đã gần như thay thế hoàn toàn việc vẽ tay. Cho đến ngày nay, nó vẫn là một kỹ năng thiết yếu đối với sinh viên học các nguyên tắc vẽ kỹ thuật.
Việc vẽ kỹ thuật truyền thống đòi hỏi độ chính xác cao, bàn tay vững chắc, con mắt tinh tường và sự tỉ mỉ. Những người thiết kế bản vẽ kỹ thuật phải thành thạo các công cụ này để tạo ra những bản vẽ chính xác, gọn gàng với các đường nét, góc độ và kích thước chính xác.
- Giới thiệu về phần mềm CAD
Ngày nay, để tạo ra nhiều loại bản vẽ kỹ thuật khác nhau, chúng ta sử dụng nhiều chương trình máy tính đã cách mạng hóa việc tạo và chia sẻ chúng. Một số chương trình phổ biến nhất là AutoCAD, SolidWorks và CATIA . Các kỹ sư và nhà thiết kế có thể tạo ra các mô hình 2D và 3D có độ chi tiết cao cho các bộ phận và các hệ thống khác.
- AutoCAD là một trong những công cụ CAD nổi tiếng nhất. Nó được sử dụng để tạo bản vẽ kỹ thuật trong không gian 2D và mô hình 3D. Nó được sử dụng trong các ngành công nghiệp như kiến trúc, kỹ thuật và gia công CNC . Chương trình rất linh hoạt và dễ cấu hình, trở thành nền tảng cho thiết kế 2D và 3D.
- SolidWorks là một công cụ CAD phổ biến khác. Nó được sử dụng để thiết kế bản vẽ kỹ thuật và mô hình hóa tham số 3D. SolidWorks có giao diện trực quan và nhiều khả năng tạo mô phỏng, vì vậy nó được sử dụng rộng rãi trong nhiều ngành công nghiệp hiện nay.
- CATIA là một chương trình CAD tiên tiến được sử dụng cho các dự án phức tạp và quy mô lớn. Đây là giải pháp tốt nhất trong các ngành công nghiệp như hàng không vũ trụ và ô tô, nơi các mô hình 3D phức tạp và mô phỏng đóng vai trò quan trọng để đảm bảo độ chính xác tuyệt vời.
Phần mềm CAD mang lại nhiều ưu điểm so với việc vẽ tay, bao gồm khả năng chỉnh sửa thiết kế nhanh chóng, tự động tạo nhiều góc nhìn và dựng mô hình 3D. Do đó, CAD đã trở thành phương pháp tiêu chuẩn trong hầu hết các ngành công nghiệp, giúp cải thiện đáng kể hiệu quả và độ chính xác của quy trình thiết kế.
Tóm lại
Bản vẽ kỹ thuật là xương sống của kỹ thuật, sản xuất và xây dựng. Chúng truyền đạt thông tin phức tạp về kích thước, hình dạng, vật liệu và lắp ráp. Hiểu cách thức hoạt động của bản vẽ kỹ thuật, cách đọc và giải thích chúng, cũng như cách tạo ra chúng là điều đáng giá vì đây là một chủ đề rất thú vị.
Công nghệ đã phát triển đến mức tạo ra những công cụ tiên tiến như phần mềm CAD. Những công cụ này giữ nguyên những ý tưởng cơ bản đã định hướng việc tạo ra bản vẽ kỹ thuật trong nhiều thế kỷ , đồng thời cho phép tạo ra bản vẽ một cách nhanh chóng và chính xác. Việc thành thạo sử dụng bản vẽ kỹ thuật là điều cần thiết để làm việc hiệu quả và triển khai những ý tưởng mới.
Bản vẽ kỹ thuật có nhiều quy chuẩn và tiêu chuẩn khác nhau tùy thuộc vào ngành nghề và khu vực. Hiểu rõ các tiêu chuẩn này là điều cần thiết để đảm bảo sự tuân thủ và tính nhất quán của dự án , đặc biệt là trong hợp tác quốc tế.
Bài viết liên quan: