Bản vẽ lắp ráp là gì?
07-02-2026 194
Bản vẽ kỹ thuật là ngôn ngữ mà các nhà thiết kế sử dụng – chính xác, không có chỗ cho sự thiếu sót. Trong số các hình thức khác nhau của nó, bản vẽ lắp ráp đóng một vai trò đặc biệt cho các cơ cấu, thiết bị và cấu trúc.
Mục lục
Hãy tưởng tượng một người thợ đồng hồ cố gắng lắp ráp một cơ cấu chính xác chỉ dựa trên trí tưởng tượng. Thật hỗn loạn. Nếu không có bản vẽ rõ ràng chỉ ra vị trí lắp ráp của từng con ốc vít và bánh răng, ngay cả công nghệ tiên tiến nhất cũng chỉ là một đống các bộ phận vô dụng. Đó là lý do tại sao bản vẽ lắp ráp là một trong những trụ cột của tài liệu kỹ thuật – nó cho phép lắp ráp và phân tích cấu trúc, hoạt động và các sửa đổi có thể có.
Bản vẽ lắp ráp (hay bản vẽ lắp, sơ đồ lắp ráp) là tài liệu kỹ thuật thể hiện hình dạng tổng thể, kết cấu và cách thức các chi tiết máy hoặc bộ phận được lắp ghép với nhau để tạo thành một sản phẩm hoàn chỉnh, dùng làm căn cứ để thiết kế, chế tạo, kiểm tra và sử dụng sản phẩm. Bản vẽ này bao gồm hình chiếu, hình cắt, kích thước tổng thể, vị trí tương quan giữa các chi tiết và Bảng kê vật liệu (BOM) (tên, số lượng, vật liệu của từng chi tiết).
Bản vẽ lắp ráp là một trong những yếu tố quan trọng của tài liệu kỹ thuật, cho phép xác định chính xác vị trí và sự phối hợp giữa các bộ phận khác nhau của một cấu trúc. Để hiểu đầy đủ vai trò của nó, cần phân biệt giữa bản vẽ lắp ráp và các loại bản vẽ kỹ thuật khác được sử dụng trong kỹ thuật.
Hồ sơ xây dựng bao gồm một số loại bản vẽ chính, mỗi loại thực hiện một chức năng khác nhau trong quá trình thiết kế, sản xuất và lắp ráp. Trong số những loại quan trọng nhất là:

Bản vẽ lắp ráp khác với các bản vẽ kỹ thuật nêu trên chủ yếu ở phạm vi thông tin mà nó chứa đựng. Chức năng chính của nó là mô tả toàn bộ cấu trúc, có tính đến tất cả các thành phần , vị trí tương đối của chúng và cách chúng hoạt động cùng nhau. Không giống như bản vẽ thi công, nó không bao gồm kích thước chi tiết của từng bộ phận riêng lẻ; nó chỉ giới hạn ở kích thước tổng thể và kích thước đặc trưng của cụm lắp ráp.
Ví dụ, những đặc điểm chính của bản vẽ kỹ thuật bao gồm:

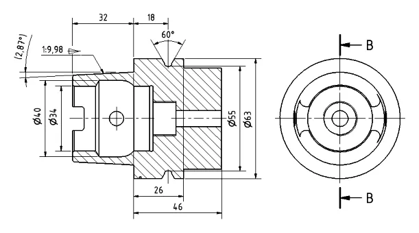
Bản vẽ lắp ráp của một chi tiết
Bản vẽ lắp ráp, một trong những yếu tố quan trọng của tài liệu kỹ thuật, phải được lập theo các quy chuẩn và tiêu chuẩn nhất định. Một bản vẽ chính xác sẽ thể hiện rõ vị trí và sự phối hợp giữa các bộ phận khác nhau của cấu trúc.
Để thực hiện đúng chức năng của mình, bản vẽ lắp ráp cần phải bao gồm các yếu tố sau:
Tùy thuộc vào độ phức tạp của cấu trúc, bản vẽ lắp ráp có thể bao gồm:
Mỗi linh kiện của sản phẩm phải được xác định bằng một số duy nhất tương ứng với mục trong danh sách linh kiện. Các số này phải được đặt dưới dạng ký hiệu trên bản vẽ, được nối với các linh kiện tương ứng bằng các đường tham chiếu mỏng kết thúc bằng một dấu chấm.
Thông thường, bản vẽ lắp ráp không cung cấp kích thước chi tiết của từng bộ phận. Ngoại lệ là các kích thước tổng quát liên quan đến việc lắp ráp và các giao diện bên ngoài.
Theo tiêu chuẩn PN-EN ISO 7200:2007, tấm bản vẽ này phải được đặt ở góc dưới bên phải của tờ giấy. Nó phải chứa các thông tin như sau:
Danh sách các linh kiện của một cụm lắp ráp được đặt phía trên bản vẽ hoặc trên một tờ riêng. Danh sách này cần bao gồm các thông tin như:
Bản vẽ lắp ráp phải được lập theo các quy tắc về bản vẽ kỹ thuật, trong đó có:
Bản vẽ lắp ráp được lập đúng cách đóng vai trò then chốt trong thiết kế, sản xuất và vận hành thiết bị.
Việc lập bản vẽ lắp ráp chính xác đòi hỏi phải tuân thủ các quy tắc nghiêm ngặt xuất phát từ các tiêu chuẩn quốc tế và các yêu cầu kỹ thuật thực tiễn. Các khía cạnh quan trọng bao gồm lựa chọn hình chiếu và mặt cắt, dán nhãn các bộ phận và tối ưu hóa hình thức trình bày của cấu trúc.
Việc lựa chọn hình chiếu và mặt cắt phụ thuộc vào độ phức tạp của công trình và mục đích sử dụng. Các nguyên tắc cơ bản bao gồm:
Mỗi thành phần cấu tạo nên một cụm lắp ráp cần được đánh dấu rõ ràng trên bản vẽ. Điều này sử dụng số hiệu mục , được liên kết với danh sách các bộ phận. Các nguyên tắc đánh số cơ bản bao gồm:
Khác với bản vẽ sản xuất, bản vẽ lắp ráp chỉ chứa một số lượng kích thước giới hạn , liên quan đến kích thước của toàn bộ sản phẩm và các thông số lắp ráp tương ứng. Khi ghi kích thước, các quy tắc sau đây được áp dụng:
Khi lập bản vẽ lắp ráp, điều quan trọng là phải tránh những lỗi thường gặp có thể dẫn đến sự cố trong quá trình lắp ráp và vận hành thiết bị. Những lỗi phổ biến nhất bao gồm:
Bản vẽ lắp ráp là một phần không thể thiếu của tài liệu kỹ thuật trong nhiều ngành công nghiệp. Một số ứng dụng phổ biến nhất bao gồm:
Bản vẽ lắp ráp đóng vai trò cơ bản trong quá trình sản xuất và lắp ráp. Nó là tài liệu tham khảo cho phép, trong số những điều khác, lắp ráp sản phẩm chính xác . Việc đánh dấu rõ ràng các bộ phận và cách bố trí của chúng giúp giảm thiểu rủi ro sai sót trong quá trình lắp ráp. Tài liệu rõ ràng tối ưu hóa quy trình sản xuất , giảm thời gian cần thiết để giải thích bản vẽ và giảm thời gian ngừng sản xuất. Quản lý chất lượng : Bản vẽ lắp ráp cho phép kiểm tra chính xác tính đúng đắn của việc lắp ráp và xác minh sự phù hợp của sản phẩm với các thông số kỹ thuật thiết kế.
Bản vẽ lắp ráp cũng là một công cụ hỗ trợ vô cùng hữu ích trong quá trình bảo trì, sửa chữa và hiện đại hóa thiết bị. Chúng giúp chẩn đoán và thay thế các bộ phận dễ dàng hơn, cho phép bạn nhanh chóng xác định vị trí cũng như cách tháo lắp và lắp ráp chúng. Cụ thể:
Bản vẽ lắp ráp là một yếu tố quan trọng của tài liệu kỹ thuật, cho phép xác định rõ vị trí và sự phối hợp của các bộ phận riêng lẻ trong cấu trúc. Bản vẽ chính xác đảm bảo hiệu quả của các quy trình thiết kế, sản xuất và lắp ráp, giảm thiểu rủi ro sai sót và tạo điều kiện thuận lợi cho việc bảo dưỡng thiết bị. Tuân thủ các tiêu chuẩn, tính rõ ràng của các ký hiệu và giới hạn kích thước là những nguyên tắc cơ bản ảnh hưởng đến tính rõ ràng và khả năng sử dụng của bản vẽ.
Mặc dù vai trò của mô hình 3D và hệ thống quản lý dữ liệu kỹ thuật ngày càng tăng, tài liệu bản vẽ truyền thống vẫn không thể thay thế trong nhiều ngành công nghiệp. Bản vẽ lắp ráp là ngôn ngữ chung của kỹ thuật, kết nối các nhà thiết kế, kỹ sư công nghệ và người lắp ráp. Việc thực hiện chính xác bản vẽ này giúp nâng cao chất lượng và hiệu quả của toàn bộ quy trình sản xuất.
Bài viết liên quan:
Bản vẽ lắp ráp là gì?
Bản vẽ lắp ráp (hay bản vẽ lắp, sơ đồ lắp ráp) là tài liệu kỹ thuật thể hiện hình dạng tổng thể, kết cấu và cách thức các chi tiết máy hoặc bộ phận được lắp ghép với nhau để tạo thành một sản phẩm hoàn chỉnh, dùng làm căn cứ để thiết kế, chế tạo, kiểm tra và sử dụng sản phẩm. Bản vẽ này bao gồm hình chiếu, hình cắt, kích thước tổng thể, vị trí tương quan giữa các chi tiết và Bảng kê vật liệu (BOM) (tên, số lượng, vật liệu của từng chi tiết).
Bản vẽ lắp ráp so với các loại bản vẽ kỹ thuật khác
Bản vẽ lắp ráp là một trong những yếu tố quan trọng của tài liệu kỹ thuật, cho phép xác định chính xác vị trí và sự phối hợp giữa các bộ phận khác nhau của một cấu trúc. Để hiểu đầy đủ vai trò của nó, cần phân biệt giữa bản vẽ lắp ráp và các loại bản vẽ kỹ thuật khác được sử dụng trong kỹ thuật.
Hồ sơ xây dựng bao gồm một số loại bản vẽ chính, mỗi loại thực hiện một chức năng khác nhau trong quá trình thiết kế, sản xuất và lắp ráp. Trong số những loại quan trọng nhất là:
- Bản vẽ tổng quan – thể hiện một đối tượng ở dạng đơn giản hóa, thường là từ phối cảnh trục đo, không có kích thước kỹ thuật. Nó được sử dụng cho mục đích trình bày và thể hiện ý tưởng.
- Bản vẽ thi công – chứa tất cả thông tin cần thiết cho việc sản xuất một chi tiết duy nhất, bao gồm kích thước chính xác, dung sai, độ nhám bề mặt và bất kỳ yêu cầu công nghệ nào.
- Bản vẽ lắp ráp – mô tả cách các chi tiết được kết nối với nhau và trình tự lắp ráp, thường bao gồm các hướng dẫn lắp ráp bổ sung.
- Bản vẽ lắp đặt – thể hiện cách bố trí các thành phần trong một hệ thống lớn hơn, chẳng hạn như hệ thống đường ống nước hoặc hệ thống điện.

Các chi tiết cụ thể của bản vẽ lắp ráp
Bản vẽ lắp ráp khác với các bản vẽ kỹ thuật nêu trên chủ yếu ở phạm vi thông tin mà nó chứa đựng. Chức năng chính của nó là mô tả toàn bộ cấu trúc, có tính đến tất cả các thành phần , vị trí tương đối của chúng và cách chúng hoạt động cùng nhau. Không giống như bản vẽ thi công, nó không bao gồm kích thước chi tiết của từng bộ phận riêng lẻ; nó chỉ giới hạn ở kích thước tổng thể và kích thước đặc trưng của cụm lắp ráp.
Ví dụ, những đặc điểm chính của bản vẽ kỹ thuật bao gồm:
- Thể hiện cụm lắp ráp hoặc toàn bộ thiết bị bằng các hình chiếu và mặt cắt được lựa chọn phù hợp.
- Đánh số và đặt tên cho từng bộ phận riêng lẻ.
- Danh sách các bộ phận (còn gọi là thông số kỹ thuật linh kiện),
- Việc sử dụng kích thước có giới hạn – chỉ bao gồm kích thước tổng quát và chung.
- Bản vẽ sản xuất thiếu các thông số dung sai chi tiết và dữ liệu công nghệ.

Bản vẽ lắp ráp của một chi tiết
Xây dựng bản vẽ lắp ráp
Bản vẽ lắp ráp, một trong những yếu tố quan trọng của tài liệu kỹ thuật, phải được lập theo các quy chuẩn và tiêu chuẩn nhất định. Một bản vẽ chính xác sẽ thể hiện rõ vị trí và sự phối hợp giữa các bộ phận khác nhau của cấu trúc.
Để thực hiện đúng chức năng của mình, bản vẽ lắp ráp cần phải bao gồm các yếu tố sau:
1. Hình chiếu và mặt cắt
Tùy thuộc vào độ phức tạp của cấu trúc, bản vẽ lắp ráp có thể bao gồm:
- Các góc nhìn chính (ví dụ: góc nhìn phía trước, góc nhìn từ trên xuống, góc nhìn từ bên cạnh),
- Các mặt cắt ngang, giúp thể hiện cấu trúc bên trong của cụm lắp ráp,
- Nếu cần thiết, các hình ảnh chi tiết nên bao gồm cả những chi tiết nhỏ.
2. Đánh số linh kiện
Mỗi linh kiện của sản phẩm phải được xác định bằng một số duy nhất tương ứng với mục trong danh sách linh kiện. Các số này phải được đặt dưới dạng ký hiệu trên bản vẽ, được nối với các linh kiện tương ứng bằng các đường tham chiếu mỏng kết thúc bằng một dấu chấm.
3. Kích thước tổng thể
Thông thường, bản vẽ lắp ráp không cung cấp kích thước chi tiết của từng bộ phận. Ngoại lệ là các kích thước tổng quát liên quan đến việc lắp ráp và các giao diện bên ngoài.
4. Tấm bản vẽ
Theo tiêu chuẩn PN-EN ISO 7200:2007, tấm bản vẽ này phải được đặt ở góc dưới bên phải của tờ giấy. Nó phải chứa các thông tin như sau:
- Số hiệu và tên của bản vẽ,
- Tên công ty hoặc tổ chức chuẩn bị hồ sơ,
- Tỷ lệ của bản vẽ,
- Thông tin của người chịu trách nhiệm soạn thảo và phê duyệt tài liệu.
- Chỉ định tiêu chuẩn chiếu.
5. Danh sách linh kiện (bảng thông số kỹ thuật linh kiện)
Danh sách các linh kiện của một cụm lắp ráp được đặt phía trên bản vẽ hoặc trên một tờ riêng. Danh sách này cần bao gồm các thông tin như:
- Mã số mặt hàng,
- Tên bộ phận,
- Số lượng chi tiết có trong bộ lắp ráp.
- Vật liệu cấu thành nên bộ phận đó,
- Số lượng bản vẽ sản xuất hoặc tiêu chuẩn mà theo đó chi tiết được chế tạo.
Các khía cạnh đồ họa của bản vẽ lắp ráp
Bản vẽ lắp ráp phải được lập theo các quy tắc về bản vẽ kỹ thuật, trong đó có:
- Các loại đường kẻ – độ dày và kiểu đường kẻ khác nhau được sử dụng để phân biệt giữa các thành phần. Đường viền phải dày hơn đường kích thước và đường tham chiếu. Các đường viền ẩn bên trong được thể hiện bằng đường nét đứt.
- Tỷ lệ bản vẽ cần được lựa chọn sao cho thể hiện được các yếu tố. Thông thường, các vật thể lớn được thể hiện bằng tỷ lệ 1:1, 1:2 và 1:5, trong khi các chi tiết nhỏ được thể hiện bằng độ phóng đại (ví dụ: 2:1, 5:1).
- Nguyên tắc chiếu hình – các phương pháp chiếu hình chữ nhật tiêu chuẩn được sử dụng, và việc lựa chọn phương pháp nào phụ thuộc vào tiêu chuẩn của từng khu vực (ví dụ: phương pháp châu Âu hoặc phương pháp Mỹ).
Tầm quan trọng của việc lập bản vẽ lắp ráp chính xác
Bản vẽ lắp ráp được lập đúng cách đóng vai trò then chốt trong thiết kế, sản xuất và vận hành thiết bị.
- Tối ưu sản xuất: Đảm bảo các bộ phận được chế tạo và lắp ráp khớp hoàn toàn, hạn chế rủi ro phế phẩm.
- Tiết kiệm thời gian: Tính rõ ràng giúp kỹ thuật viên đọc hiểu nhanh, loại bỏ các diễn giải sai lệch.
- Hỗ trợ vận hành: Là tài liệu tham khảo chuẩn giúp quá trình bảo trì và sửa chữa diễn ra thuận lợi.
- Hiệu quả kinh tế: Giảm thiểu chi phí phát sinh do sai lỗi và rút ngắn chu kỳ sản xuất.

Nguyên tắc lập bản vẽ lắp ráp
Việc lập bản vẽ lắp ráp chính xác đòi hỏi phải tuân thủ các quy tắc nghiêm ngặt xuất phát từ các tiêu chuẩn quốc tế và các yêu cầu kỹ thuật thực tiễn. Các khía cạnh quan trọng bao gồm lựa chọn hình chiếu và mặt cắt, dán nhãn các bộ phận và tối ưu hóa hình thức trình bày của cấu trúc.
Việc lựa chọn hình chiếu và mặt cắt phụ thuộc vào độ phức tạp của công trình và mục đích sử dụng. Các nguyên tắc cơ bản bao gồm:
- Hình ảnh chính – thể hiện sản phẩm ở vị trí sử dụng rõ ràng nhất.
- Hình chiếu bổ sung – được sử dụng khi cấu trúc chứa các yếu tố không thể thể hiện trong hình chiếu chính.
- Mặt cắt ngang – được sử dụng để thể hiện cấu trúc bên trong của một cụm lắp ráp, đặc biệt là khi chúng không thể nhìn thấy trên hình chiếu bên ngoài.
- Hình chiếu phụ – được sử dụng cho các công trình có hình dạng bất thường mà không thể thể hiện rõ ràng trong các hình chiếu tiêu chuẩn.
Tránh làm bản vẽ trở nên quá rườm rà bằng cách sử dụng các mặt cắt và hình chiếu không cần thiết. Giữ số lượng hình chiếu ở mức tối thiểu để giúp tài liệu dễ đọc hơn.
Đánh dấu và đánh số các bộ phận
Mỗi thành phần cấu tạo nên một cụm lắp ráp cần được đánh dấu rõ ràng trên bản vẽ. Điều này sử dụng số hiệu mục , được liên kết với danh sách các bộ phận. Các nguyên tắc đánh số cơ bản bao gồm:
- Trình tự đánh số – các mục được đánh số theo một cách có hệ thống, chẳng hạn như từ trái sang phải hoặc theo thứ tự lắp ráp.
- Vị trí của các số – các số hiệu mục được đặt bên ngoài đường viền của bản vẽ, theo một hướng thống nhất.
- Đường tham chiếu – các đường tham chiếu mỏng được vẽ từ số hiệu mặt hàng đến chi tiết, kết thúc bằng một dấu chấm tại điểm tiếp xúc với đường viền của chi tiết.
- Các bộ phận tiêu chuẩn hóa – các bộ phận trong danh mục (ví dụ: bu lông, đai ốc, vòng đệm) có thể được đánh dấu bằng chữ “N” bên cạnh số hiệu mặt hàng.
Ghi kích thước vào bản vẽ lắp ráp
Khác với bản vẽ sản xuất, bản vẽ lắp ráp chỉ chứa một số lượng kích thước giới hạn , liên quan đến kích thước của toàn bộ sản phẩm và các thông số lắp ráp tương ứng. Khi ghi kích thước, các quy tắc sau đây được áp dụng:
- Cung cấp các kích thước đặc trưng – chỉ bao gồm kích thước tổng thể, khoảng cách kết nối và kích thước lắp ráp.
- Tránh trùng lặp kích thước – dữ liệu hình học chi tiết của từng bộ phận được cung cấp trong bản vẽ sản xuất của chúng.
- Đảm bảo tính rõ ràng – kích thước được đặt sao cho không chồng chéo với ký hiệu bộ phận và đường kẻ xây dựng.
Các lỗi thường gặp trong bản vẽ lắp ráp
Khi lập bản vẽ lắp ráp, điều quan trọng là phải tránh những lỗi thường gặp có thể dẫn đến sự cố trong quá trình lắp ráp và vận hành thiết bị. Những lỗi phổ biến nhất bao gồm:
- Thiếu danh sách linh kiện
- Số hiệu mặt hàng được đánh dấu không rõ ràng.
- Số lượng hình chiếu và phần quá nhiều
- Kích thước không chính xác
- Không tuân thủ các tiêu chuẩn
Ứng dụng trong nhiều ngành công nghiệp khác nhau
Bản vẽ lắp ráp là một phần không thể thiếu của tài liệu kỹ thuật trong nhiều ngành công nghiệp. Một số ứng dụng phổ biến nhất bao gồm:
- Ngành ô tô – trong sản xuất ô tô , bản vẽ lắp ráp thể hiện toàn bộ xe và các bộ phận riêng lẻ của nó, chẳng hạn như động cơ, hệ thống phanh và hộp số.
- Hàng không vũ trụ – trong các ngành công nghiệp này, tài liệu kỹ thuật chính xác là điều thiết yếu để đảm bảo an toàn và độ tin cậy của các cấu trúc. Bản vẽ lắp ráp giúp tích hợp các hệ thống phức tạp, chẳng hạn như cấu trúc hỗ trợ máy bay và hệ thống đẩy tàu vũ trụ.
- Máy móc – đối với thiết bị công nghiệp, bản vẽ lắp ráp là cơ sở cho các bộ phận sản xuất và lắp ráp, giúp máy móc được lắp ráp chính xác.
- Bản vẽ xây dựng – bản vẽ lắp ráp cho các công trình xây dựng, chẳng hạn như cầu hoặc nhà xưởng, cho phép xác định chính xác vị trí và việc lắp ráp các bộ phận riêng lẻ.
- Ngành công nghiệp điện tử – trong tài liệu về thiết bị điện tử , bản vẽ lắp ráp được sử dụng để thể hiện vị trí của các linh kiện trên bảng mạch in và cách chúng được lắp ráp.
Vai trò trong quy trình sản xuất và lắp ráp
Bản vẽ lắp ráp đóng vai trò cơ bản trong quá trình sản xuất và lắp ráp. Nó là tài liệu tham khảo cho phép, trong số những điều khác, lắp ráp sản phẩm chính xác . Việc đánh dấu rõ ràng các bộ phận và cách bố trí của chúng giúp giảm thiểu rủi ro sai sót trong quá trình lắp ráp. Tài liệu rõ ràng tối ưu hóa quy trình sản xuất , giảm thời gian cần thiết để giải thích bản vẽ và giảm thời gian ngừng sản xuất. Quản lý chất lượng : Bản vẽ lắp ráp cho phép kiểm tra chính xác tính đúng đắn của việc lắp ráp và xác minh sự phù hợp của sản phẩm với các thông số kỹ thuật thiết kế.
Bản vẽ lắp ráp cũng là một công cụ hỗ trợ vô cùng hữu ích trong quá trình bảo trì, sửa chữa và hiện đại hóa thiết bị. Chúng giúp chẩn đoán và thay thế các bộ phận dễ dàng hơn, cho phép bạn nhanh chóng xác định vị trí cũng như cách tháo lắp và lắp ráp chúng. Cụ thể:
- Giảm thời gian bảo dưỡng – nhờ vào việc dán nhãn linh kiện rõ ràng, kỹ thuật viên bảo dưỡng có thể nhanh chóng xác định vị trí các bộ phận cần thay thế hoặc sửa chữa.
- Đảm bảo tính tương thích của các bộ phận thay thế – thông số kỹ thuật của linh kiện cho phép xác định chính xác các bộ phận thay thế tương thích với thiết kế ban đầu.
- Chúng tạo điều kiện thuận lợi cho việc hiện đại hóa thiết bị – các kỹ sư có thể sử dụng chúng để lập kế hoạch thay đổi thiết kế và điều chỉnh thiết bị cho phù hợp với các yêu cầu công nghệ mới.
Ưu điểm của việc lập tài liệu bản vẽ kỹ thuật số:
- Chỉnh sửa và cập nhật dễ dàng hơn – việc thay đổi mô hình 3D nhanh hơn nhiều so với bản vẽ truyền thống.
- Độ chính xác được nâng cao – Mô hình CAD cho phép thể hiện chính xác hình dạng hình học của cấu trúc và mô phỏng hoạt động của nó.
- Tích hợp với hệ thống sản xuất – bản vẽ kỹ thuật số có thể được sử dụng trực tiếp trong các hệ thống CAM (Sản xuất hỗ trợ bằng máy tính) để kiểm soát các quy trình sản xuất.
Tóm lại
Bản vẽ lắp ráp là một yếu tố quan trọng của tài liệu kỹ thuật, cho phép xác định rõ vị trí và sự phối hợp của các bộ phận riêng lẻ trong cấu trúc. Bản vẽ chính xác đảm bảo hiệu quả của các quy trình thiết kế, sản xuất và lắp ráp, giảm thiểu rủi ro sai sót và tạo điều kiện thuận lợi cho việc bảo dưỡng thiết bị. Tuân thủ các tiêu chuẩn, tính rõ ràng của các ký hiệu và giới hạn kích thước là những nguyên tắc cơ bản ảnh hưởng đến tính rõ ràng và khả năng sử dụng của bản vẽ.
Mặc dù vai trò của mô hình 3D và hệ thống quản lý dữ liệu kỹ thuật ngày càng tăng, tài liệu bản vẽ truyền thống vẫn không thể thay thế trong nhiều ngành công nghiệp. Bản vẽ lắp ráp là ngôn ngữ chung của kỹ thuật, kết nối các nhà thiết kế, kỹ sư công nghệ và người lắp ráp. Việc thực hiện chính xác bản vẽ này giúp nâng cao chất lượng và hiệu quả của toàn bộ quy trình sản xuất.
Bài viết liên quan: